Магистральный грузовой электровоз 2эс5
Магистральный грузовой электровоз 2эс5
Пассажирские вагоны ктж
Пассажирские вагоны ктж
Техника молодежи тепловоз тэп10л
Техника молодежи тепловоз тэп10л
Осмотрщик ремонтник вагонов
Осмотрщик ремонтник вагонов
Типы ж/д вагонов

Фото Типы ж/д вагонов

Щом 1400 путевая машина
Щом 1400 путевая машина
Пассажирские вагоны ржд
Пассажирские вагоны ржд
Грузовой электровоз 2эс6 синара
Грузовой электровоз 2эс6 синара
Железнодорожные перевозки
Железнодорожные перевозки
Грузовое вагонное ремонтное депо
Грузовое вагонное ремонтное депо
Крытый вагон 11-270 чертеж
Крытый вагон 11-270 чертеж
Грузовая станция
Грузовая станция
Пассажирский вагон ржд вектор
Пассажирский вагон ржд вектор
Вагон пассажирский купейный схема
Вагон пассажирский купейный схема
Техническая норма загрузки крытого вагона
Техническая норма загрузки крытого вагона
Крытый вагон roco 66646
Крытый вагон roco 66646
Сочлененный 28-осный транспортер вагон
Сочлененный 28-осный транспортер вагон
Товарный вагон белорусские железные дороги
Товарный вагон белорусские железные дороги
Цистерна 15-5103 чертеж
Цистерна 15-5103 чертеж
Схема мест в двухэтажном вагоне ржд

Фото Схема мест в двухэтажном вагоне ржд

Железнодорожный транспорт
Железнодорожный транспорт
2 тэ 116 у тепловоз
2 тэ 116 у тепловоз
Пассажирский вагон ржд вид сбоку
Пассажирский вагон ржд вид сбоку
Чертежи пассажирских вагонов ржд
Чертежи пассажирских вагонов ржд
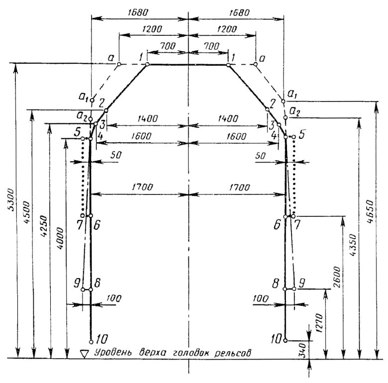
Габарит погрузки негабаритности
Габарит погрузки негабаритности
Вагон твз 61 4447
Вагон твз 61 4447
Почтовые вагоны
Почтовые вагоны
Слесарь локомотивного депо
Слесарь локомотивного депо
Борзя — забайкальск железная дорога
Борзя — забайкальск железная дорога
Габарит 1-т подвижного состава
Габарит 1-т подвижного состава
Осмотрщик ремонтник вагонов
Осмотрщик ремонтник вагонов
Организационная структура компании пассажирских перевозок
Организационная структура компании пассажирских перевозок
Высокоскоростной поезд сапсан
Высокоскоростной поезд сапсан
Тормоза подвижного состава железных дорог
Тормоза подвижного состава железных дорог
12 позиций осмотра грузового вагона
12 позиций осмотра грузового вагона

Категория: ---
3 0
00

Комментарии (0)

Кликните на изображение чтобы обновить код, если он неразборчив