Тормозное оборудование пассажирского вагона
Тормозное оборудование пассажирского вагона
Экстренное торможение
Экстренное торможение
Схема эпт торможение
Схема эпт торможение
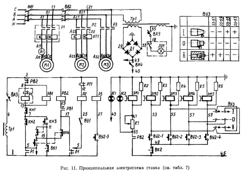
Токарный станок 1м63 схема электрическая
Токарный станок 1м63 схема электрическая
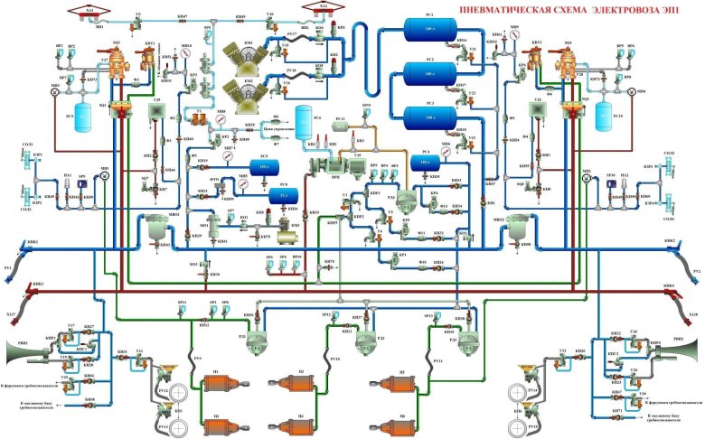
Эп1м схема эпт

Фото Эп1м схема эпт

Электрический переключатель
Электрический переключатель
Пневмосхема тормозного оборудования вл80с
Пневмосхема тормозного оборудования вл80с
Гибридный автомобиль схема
Гибридный автомобиль схема
Конструкция электронного стояночного тормоза
Конструкция электронного стояночного тормоза
Ford kuga 2 схема электрического стояночного тормоза
Ford kuga 2 схема электрического стояночного тормоза
Схема динамического торможения асинхронного двигателя
Схема динамического торможения асинхронного двигателя
Схема частотного преобразователя 3х380в
Схема частотного преобразователя 3х380в
Механизм подъема электротали тэ 320
Механизм подъема электротали тэ 320
Схема гибридного автомобиля с последовательным
Схема гибридного автомобиля с последовательным
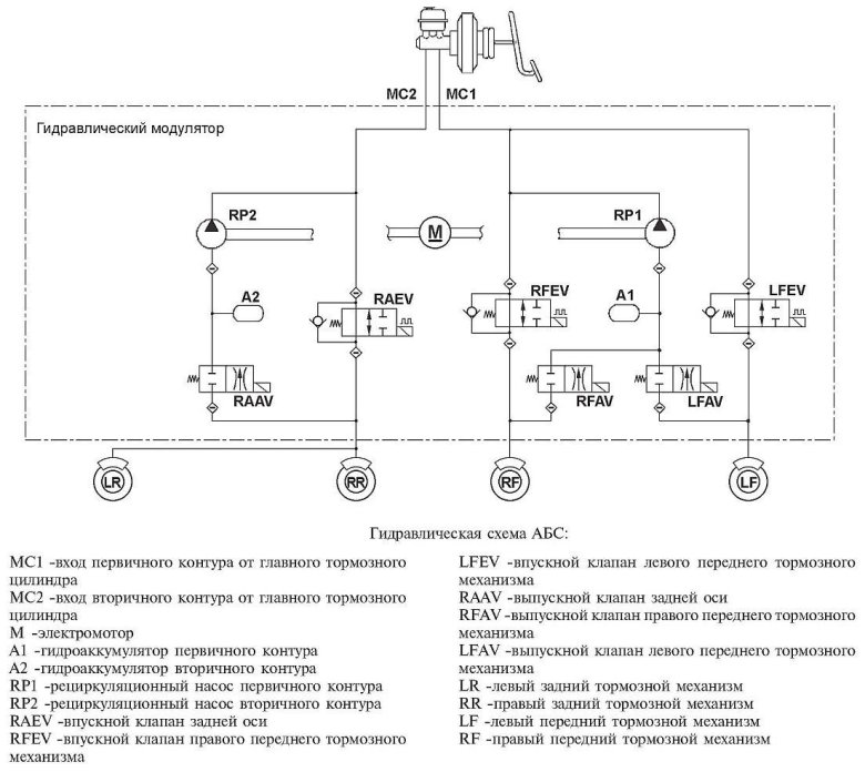
Тормозная система уаз патриот с абс схема
Тормозная система уаз патриот с абс схема
Экстренное торможение автомобиля
Экстренное торможение автомобиля
Редуктор подъема тэ-320 сб.106
Редуктор подъема тэ-320 сб.106
Торможение условных рефлексов схема
Торможение условных рефлексов схема
Схема тормозного оборудования тепловоза чмэ3
Схема тормозного оборудования тепловоза чмэ3
Электромагнитный тормоз для электродвигателя

Фото Электромагнитный тормоз для электродвигателя

Схема тормозного оборудования электровоза вл10
Схема тормозного оборудования электровоза вл10
Тормозная ручка
Тормозная ручка
Схема тормозного электропневматического оборудования
Схема тормозного электропневматического оборудования
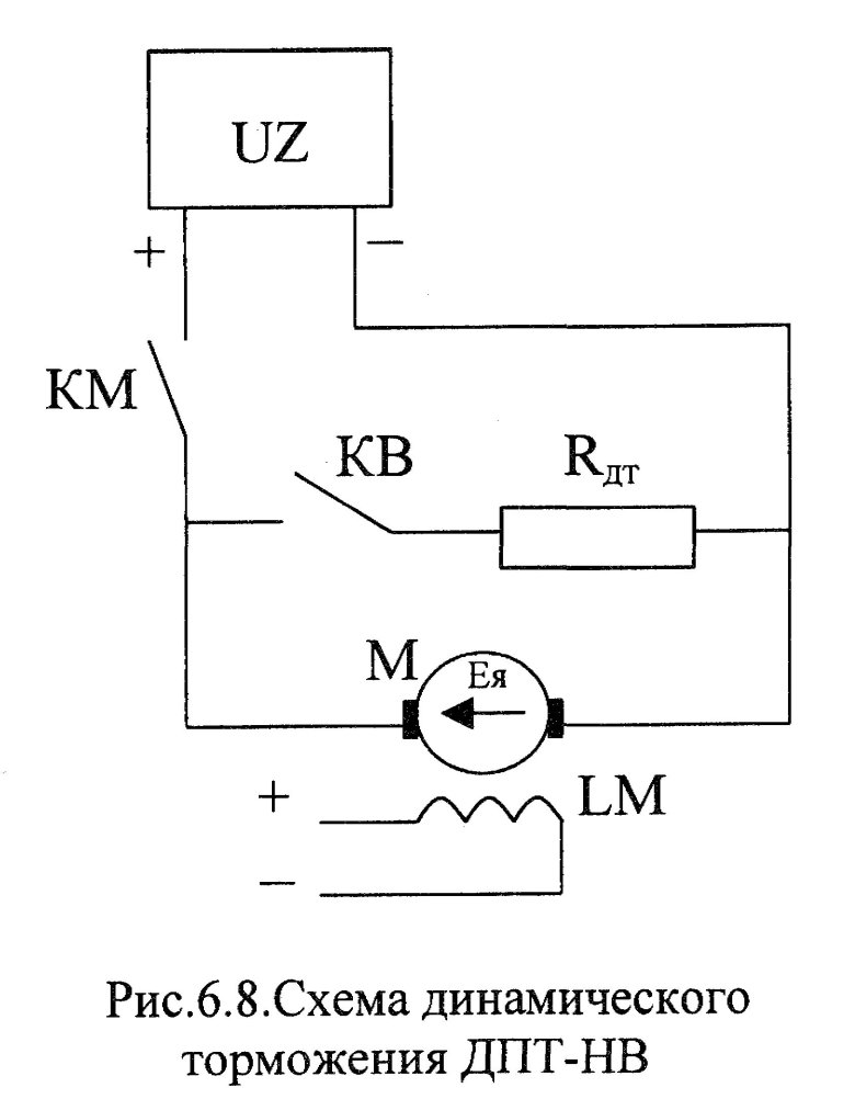
Динамическое торможение двигателя постоянного тока схема
Динамическое торможение двигателя постоянного тока схема
Электронный ручной тормоз принцип работы
Электронный ручной тормоз принцип работы
Поступательное постсинаптическое торможение
Поступательное постсинаптическое торможение
Тормозная рычажная передача вл10
Тормозная рычажная передача вл10
Electric brake
Electric brake
Схема электропневматического тормоза
Схема электропневматического тормоза
Опыт сеченова центральное торможение
Опыт сеченова центральное торможение
Схема тормозного электропневматического оборудования
Схема тормозного электропневматического оборудования
Intorq bfk458
Intorq bfk458
Электромагнитные тормоза
Электромагнитные тормоза
Пневматическая система электровоза вл10
Пневматическая система электровоза вл10
Тормозная система велосипеда
Тормозная система велосипеда

Категория: ---
2 0
00

Комментарии (0)

Кликните на изображение чтобы обновить код, если он неразборчив
Похожие материалы