Равон нексия р 3
Равон нексия р 3
Ravon nexia
Ravon nexia
Chevrolet nexia 3
Chevrolet nexia 3
Равон нексия р3
Равон нексия р3
Шевроле нексия 3

Фото Шевроле нексия 3

Chevrolet nexia
Chevrolet nexia
Daewoo nexia n 150
Daewoo nexia n 150
Honda accord cf4 геометрия кузова
Honda accord cf4 геометрия кузова
Дэу нексия габариты
Дэу нексия габариты
Автомобиля daewoo nexia
Автомобиля daewoo nexia
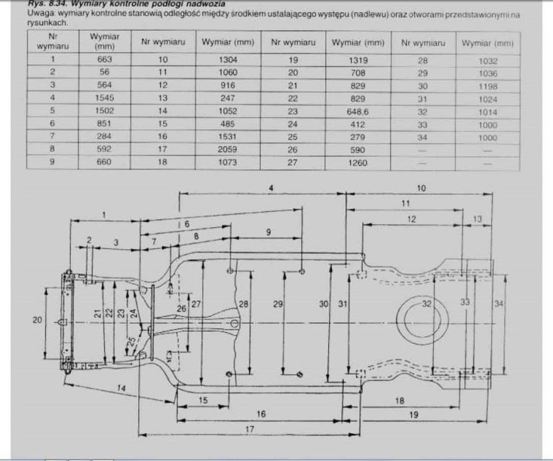
Геометрия кузова daewoo nexia n150
Геометрия кузова daewoo nexia n150
Chevrolet nexia 2021
Chevrolet nexia 2021
Daewoo nexia 2 размер кузова
Daewoo nexia 2 размер кузова
Геометрия кузова шевроле авео т300 седан
Геометрия кузова шевроле авео т300 седан
Chevrolet cobalt 2021 белый
Chevrolet cobalt 2021 белый
Геометрия кузова нексия n150
Геометрия кузова нексия n150
Chevrolet aveo i рестайлинг
Chevrolet aveo i рестайлинг
Ravon nexia r 3
Ravon nexia r 3
Машина daewoo nexia 2
Машина daewoo nexia 2
Chevrolet nexia 2020

Фото Chevrolet nexia 2020

Nexia ravon
Nexia ravon
Chevrolet nexia 2022
Chevrolet nexia 2022
Контрольные точки геометрии кузова
Контрольные точки геометрии кузова
Nexia 3
Nexia 3
Дэу нексия r 100 технические характеристики
Дэу нексия r 100 технические характеристики
Дэу нексия чертеж
Дэу нексия чертеж
Кузовные размеры лада гранта
Кузовные размеры лада гранта
Габариты лада веста св
Габариты лада веста св
Chevrolet cobalt 2012
Chevrolet cobalt 2012
Chevrolet ravon r3
Chevrolet ravon r3
Chevrolet nexia
Chevrolet nexia
Геометрия кузова
Геометрия кузова
Chevrolet nexia 3
Chevrolet nexia 3
Daewoo nexia размеры габариты
Daewoo nexia размеры габариты
Равон нексия р4
Равон нексия р4

Категория: ---
15 0
00

Комментарии (0)

Кликните на изображение чтобы обновить код, если он неразборчив